Main Content Main Menu

Proximity Sensor

Description

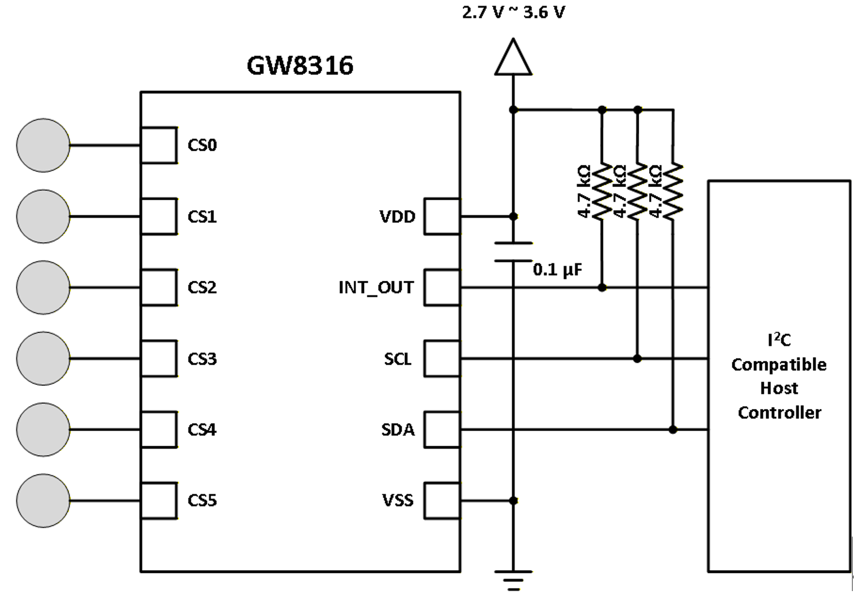
The GW8316 is an advanced 6-channel capacitive sensor MCU designed specifically for SAR (Specific Absorption Rate) applications. Capable of high-performance proximity detection based on capacitive sensing circuit operating with a wide range 2.7 V ~ 3.6 V supply voltage, this intelligent and smart sensor excels the presence detection of a user at various distances. With the human body proximity detection ability of the GW8316, radio frequency (RF) emission power can be optimized in the presence of the human body. The GW8316 provides noticeable performance benefits to portable electronic devices manufacturers by helping them to comply with stringent electromagnetic radiation regulations and SAR standards.

The GW8316 communicates to a host over the Inter-Integrated Circuit(I2C) serial bus, which can solely operate even in sleep mode. The Host can wake up the device from sleep mode with an I2C command. The interrupt signal output can be activated to allow the host to get the relative proximity distance or to receive a detection notification in an efficient way.

Equipped with an on-chip calibration functionality, the GW8316 can maintain performance across a wide range of temperatures, humidity, and noisy conditions. This feature allows for regular sensitivity adjustments, simplifying product development and improving overall performance.

Typical Applications

  • Smartphones
  • Tablets
  • Laptops
  • Hotspots
  • Other wireless portable devices

Basic Application Diagram

Features

A single 1.8V supply voltage
400KHz I2C serial interface
Four programmable I2C sub-addresses
Up to 8 capacitive sensing inputs
Separate configurations per sensing input
Multiple sensing thresholds per sensing input
Capacitance resolution: 2.1aF
Capacitance offset compensation: up to 300pF
Flexible Event/Status Handling : Can be automatically paused for event management
Digital sensor status output
Automatic sensor calibration
Advanced temperature compensation
Low power consumption for mobile application:
→ Active mode: 29uA
→ Doze mode: 7uA
→ Sleep mode: 1.2uA
Open drain NIRQ interrupt pin
Two reset sources: POR, Soft Reset

Physical Characteristics

Supply voltage: 1.8V
Operating temperature: -40°C ~ +85°C
Available in a compact 1.8mm x 1.9mm 0.55mm pitch QFN-12 package
Pb & Halogen Free, RoHS/WEEE compliant

Block Diagram

Datasheet and Guides

[GW8316]
Product Brief
File Download

Support

For more information about the product, technology, latest version of the document, or your nearest sales office, Please email us

Sample and Buy

Cascode Technologies

B1503, 128, Beobwon-ro, Songpa-gu, Seoul, 05854, Korea

+82-2-527-8933 henry.kim@cascodetech.com

Touchworld

Hyundai Knowledge Industry Center A-322ho, 3, Godeung-ro, Sujeong-gu, Seongnam-si, Gyeonggi-do, 13105, Korea

+82-10-2816-4349 martin.choi@touchworld.co.kr

Farben

Block B, WeiDa Technology Park, No.15, Gaoxin North 6th road, Songpingshan Community, Xili Street, Nanshan District, Shenzhen, China

www.farben.com.cn kelly.xie@farbenelec.com

DAEJIN SEMICONDUCTOR

Rm 1209, 278, Beotkkot-ro, Geumcheon-gu, Seoul

+82 10 6285 8842 jho@semidj.com

Ichicom Smart Technology Limited

Rm 701, Tower B, New Century Business Center, Shixia Beier Street West, Futian District Shenzhen, China

+86-132 6563 1806 edward@ichismart.com