Main Content Main Menu

MPPT IC for Solar PV System

Description

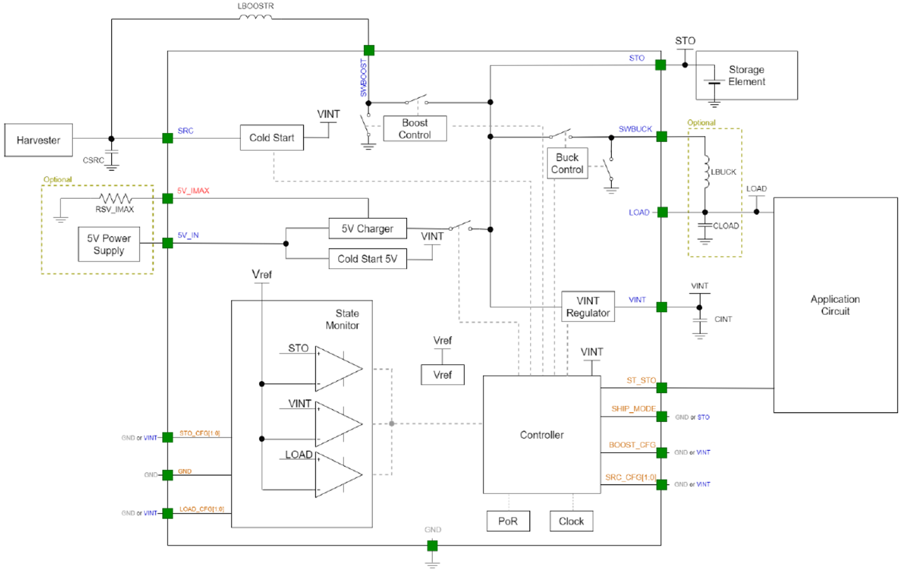
The GW4236 is a fully integrated, compact power management circuit designed to extract DC power from a harvesting source, store it in a rechargeable battery, and supply an application circuit. It also allows for battery charging via a 5V input, useful when the battery is depleted. This ultra-efficient battery charger extends battery life and removes the need for primary energy storage in a wide range of applications.
The GW4236 uses constant voltage regulation to optimize power extraction from the source for charging the storage element. Its unique cold-start circuit enables operation with input voltages as low as 275mV and a minimum power of 5μW. Configurable protection levels set voltage thresholds to prevent overcharging and over-discharging, protecting the storage element from damage.
A shipping mode is available to prevent charging and discharging during transport or storage. Additionally, a buck regulator with selectable output voltage provides high-efficiency power to the application circuit.

Typical Applications

  • Smart home
  • Smart building
  • Edge IoT
  • Industrial sensor
  • Retail
  • PC accessories

Basic Application Diagram

Features

Ultra-Low Power Startup
→Cold start capability from 275mV/5μW input
→Initiates at ultra-low power from energy harvesting sources
Constant Input Voltage Mode
→Optimized for constant voltage photovoltaic (PV) cells
→Selectable input regulation voltage
→Extracts up to 110 mA current from the harvester
Overdischarge and Overcharge Protection
→Supports various types of rechargeable batteries (LiC, Li-ion, LiPo, etc.)
Regulated Output for Application Circuit
→Buck regulator with efficiency above 90%
→Selectable output voltage (2.2V, 2.5V or 2.8V)
→Output current up to 135mA

System Configuration via GPIO
→All settings are dynamically configurable through Control Pins
Shipping Mode
→Disables charging and discharging of the battery during shipment
External 5 V Charging Capability
→Additional charging input for 5V power supplies
→CC/CV charging with configurable current limit in CC mode (max. 135mA)
→Provides a fast charging alternative when no
→source is available for an extended period

Block Diagram

Datasheet and Guides

[GW4236]
Product Brief (Preliminary)
File Download

Support

For more information about the product, technology, latest version of the document, or your nearest sales office, Please email us

Sample and Buy

Cascode Technologies

B1503, 128, Beobwon-ro, Songpa-gu, Seoul, 05854, Korea

+82-2-527-8933 henry.kim@cascodetech.com

Touchworld

Hyundai Knowledge Industry Center A-322ho, 3, Godeung-ro, Sujeong-gu, Seongnam-si, Gyeonggi-do, 13105, Korea

+82-10-2816-4349 martin.choi@touchworld.co.kr

Farben

Block B, WeiDa Technology Park, No.15, Gaoxin North 6th road, Songpingshan Community, Xili Street, Nanshan District, Shenzhen, China

www.farben.com.cn kelly.xie@farbenelec.com

DAEJIN SEMICONDUCTOR

Rm 1209, 278, Beotkkot-ro, Geumcheon-gu, Seoul

+82 10 6285 8842 jho@semidj.com

Ichicom Smart Technology Limited

Rm 701, Tower B, New Century Business Center, Shixia Beier Street West, Futian District Shenzhen, China

+86-132 6563 1806 edward@ichismart.com